腾博会官网·[中国]-诚信为本,专业服务!

工业自动化专业服务商
提供选型、测试、集成服务
7*24小时服务热线:
0755-21006456
18924665872

3m双路模拟量激光测距

负载:50-3050mm激光测距
臂展:2个彼此独立的输出端
防护等级:模拟输出端(0...10 V/4...20 mA)
可扩展性:可靠识别倾斜/光泽度/黑色的物体
可替代品牌型号1:SICK,DT35/DT50
可替代品牌型号2:KEYENCE,LR-TB2000/LR-TB5000
应用范围


3m双路模拟量激光测距

3M双路模拟量.jpg

50-3050mm激光测距

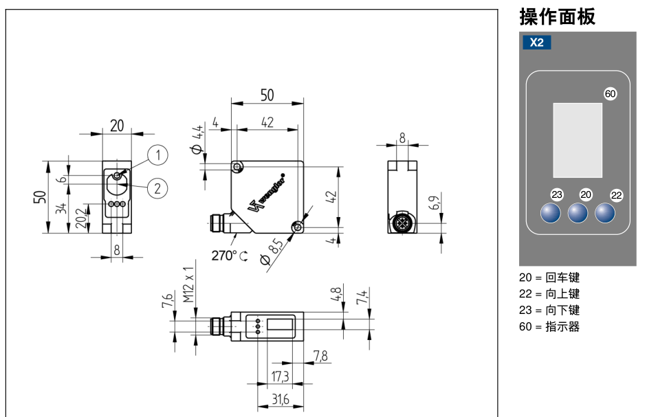
便于操作的图形显示器

即使处于极度倾斜的位置,依然能够实现

可靠识别光泽度/黑色的物体

模拟输出端(0...10 V/4...20 mA)

2个彼此独立的输出端

支持232通讯

可替换品牌

KEYENCELR-TB2000/LR-TB5000

SICKDT35/DT50

IFMO5D100


传感器采用耐刮镜头,能够通过测量光传输时间确定传感器与发射光的距离。

WinTec(抗干扰技术能够防止直接相邻或相对的传感器产生相互干扰。




叉车前方障碍物检测及位置输出

P1PY001叉车应用.jpg



垛机立库库位检测

挑战:自动化立体仓库需要满足货架的重心最低以提高货架稳定性、出入库时间最短以提高出库效率等目标

解决方案:激光传感器的高过量增益可轻松应对不同类型货物检测

同时可设置多种响应速度,以满足货位检测和优化的需求


双模:同时检测距离变化和光强度变化



钢棒材有无检测

挑战:传感器配合钢棒材缺陷检测系统使用,要求适应棒材在一定范围内的圆度、直度偏差待测棒材表面粗糙度有差异

解决方案:激光传感器具有自适应跟踪功能,可根据被测物不同状态自动调节激光强度,从而对被测物不同状态进行增益补偿



工件定位检测

解决方案配合智能放板机器人,采用线阵CMOS接收器,定位精度高,工作稳定可靠,不会产生机械定位的品质刮花等




不同材质的金属部件检测

挑战:铜棒连铸机铸造材料较为多样,如铅黄铜、黄铜、紫铜、铜合金不同材料表面纹理、反光特性有一定差异

解决方案:激光传感器具有自适应跟踪功能,可根据不同类型被测物自动调节激光强度,从而对被测物不同状态进行增益补偿



金属冲压

挑战1检测金属板的有无,以及金属板是否正确放置在压机上,以降低材料浪费和模具损坏的危险

解决方案1:激光传感器检测距离远,能安装在压机外部,避免对Q5X传感器造成损坏

挑战2金属件高反光,而且背景通常是相似的颜色,普通传感器很难可靠检测

解决方案2:激光传感器能可靠检测高反光的金属件,即使和被测物呈锐角



汽车前保险杠装配

挑战:检测插在黑色保险杠上的两个零件

零件1是黑色

零件2是灰色,且很薄

解决方案双开关量可同时检测2种不同状态

输出 1: 过量增益值高,能可靠检测黑色背景下的黑色被测物

输出 2: 双模检测模式,能可靠检测灰色的薄件


物流行业蓝色托盘检测

挑战1检测距离1.8

解决方案1检测距离远2m

挑战2深蓝色反光率低

解决方案2过量增益高,能保证可靠的检测


加工中心检测钻头有无

挑战:钻头尺寸6 ~ 18mm,要求传感器安装距离0.8 ~ 1.5m


解决方案检测距离远,光斑小,保证在远距离有效检测


物流RGV-1

1两路独立的输出,一路用于刹车,一路用于急停

2检测距离远,过量增益高,从而保证可靠的系统保护


AGV防跌落检测

应用场景检测距离2m,要求不受日光雨水等干扰,精度10mm,体积要求尽可能小,使用温度-20-+60℃










自由容器
自由容器
按钮
自由容器
友情链接: 上海发那科
腾博会官网·[中国]-诚信为本,专业服务!
24小时服务热线
0755-21006456
产品中心                解决方案                行业新闻                关于腾博会官网·[中国]-诚信为本,专业服务!                联系腾博会官网·[中国]-诚信为本,专业服务!